
哈希8810 氯离子分析仪
产品型号:8810
更新时间:2025-09-25
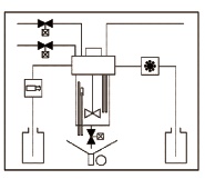
简要描述:氯离子选择电极 首先,排放阀和清洗阀同时打开,允许清洗液在设定的时间里清洗反应池(如图)。当清洗阀关闭后,样品阀打开;这时排放阀继续开启几秒钟,让样品水冲洗掉残留的清洗液滴。然后,排放阀 关闭,内置的虹吸管自动调整样品体积。这时候,搅拌泵激活···
8810 氯离子分析仪
典型应用
● 再生水(中水回用),尤其是用于农田灌溉
● 工业循环冷却水
● 地表水监测和控制
仪器特点
● 不需要样品过滤 (当悬浮颗粒 < 1% 或 < 1 mm)
● 容易操作和设定
● 自动温度补偿
● 每一个测量周期后,自动反应器清洗
● 每月一次维护
测量原理
氯离子选择电极 首先,排放阀和清洗阀同时打开,允许清洗液在设定的时间里清洗反应池(如图)。当清洗阀关闭后,样品阀打开;这时排放阀继
续开启几秒钟,让样品水冲洗掉残留的清洗液滴。然后,排放阀 关闭,内置的虹吸管自动调整样品体积。这时候,搅拌泵激活,在程序设定的时间
内工作。最后离子选择电位 和离子浓度的数值显示出来。根据能斯特定律: E = Eo + Slog C.


技术指标
测量范围: 0.5–500 mg/L of Cl- (高浓度采用稀释方法)
检测限: 0.5 mg/L
分析周期: 可编程: 1个周期/5 min,最长间隔999 分钟
样品流个数: 如果购置 8811 样品序列器,可以选 择1-6 个样品进样
检测次序: 多流路循环检测,或遵照程序设定
检测次序
水样温度: 0-50℃
水样压力: 0.5-6 bar
水样流速: 50-300L/h
清洗液压力: 1-6bar
清洗液流速: 50-300L/h
水样稀释: 可编程
安装: 面板式安装:约 25kg, 壁挂式安装:约 50kg 独立柜式安装:小于 100kg
电源: 220VAC, ±10%, 50/60Hz
功耗: 100VA
水管尺寸(供参考): 样品管:12/14mm
清洗液管:6/8mm 仪器空气:4/6mm
仪器气源: 4-7bar,经过过滤的气体
重量: 面板式安装:约 25kg,壁挂式安装: 约 50kg,柜式安装:小于 100kg
尺寸: 如附图
电极: 氯离子选择电极
温度补偿: Pt100 温度传感器
环境温度: 5-55℃
试剂: 通常 3-6mL/周期,根据测量周期决定 试剂消耗量,用户自己配制试剂
浓度单位: mg/L,ppm
准确度: <±2%
再现性: <±3%
保护等级: IP65
LCD 显示: 数字: 4 个数字,高度为 17.8mm
文字:2行,16个字符,高度为5.86mm
校准: 手动的系统校准,(两个标准溶液) 自动校准系统(可选)
模拟输出: 2 路 0/4-20mA,
警报: 3 路继电器:1 路系统警报,2 路高 限值或低限值警报
控制: 1 路水样/稀释液位检测器
1 路试剂液位检测器
1 路校准溶液液位检测器
RS232 接口
远程启动/停止
订购指南
基本配置
P/N 368810,31220 : 8810 氯离子分析仪,19" 面板安装型, 包括:
● 试剂添加模块
● 氯离子选择电极/温度参考电极 Pt100
● 试剂泵
可选备件
368810,71050 自动校正系统(建议订购)
368810,56000 化学清洗系统
08810=A=5300 自动稀释模块,当氯离子浓度>500mg/L
368810,76000 自动加热装置/控制器
368810,65000 手动加热装置/控制器
368810,40000 玻璃纤维机箱,墙装型
368810,45000 钢质机箱, 立式安装型
368810,93001 两年备件
多通道样品序列器
08811=A=2032 双通道样品序列器
08811=A=2033 三通道样品序列器
08811=A=2034 四通道样品序列器
08811=A=2035 五通道样品序列器
08811=A=2036 六样品序列器
- 上一篇:哈希9186 联氨分析仪
- 下一篇:哈希 sc200 通用型控制器
新闻资讯
NEWS- DR-801C A water sampler for collecting a segment of oil-containing water column(Download)
- 专业提供环保认证及资质证书申报辅导
- DR-801C截取式水中油分层采样器获得计量校准证书DR-801C A water sampler for collecting a segment of oil-containing water column obtain a calibration certificate
- “全层水柱”含油浓度计算,其中“本底值水深”概念太关键(油膜瓶&溶解油瓶图)
- 国际友人应邀来沪观摩我们DR-801C截取式水中油分层采样器现场演示

您的位置:
